Loading...
介绍
|
型号 |
OBRU2-40 |
||||
|
标准 |
EN50539-11 |
||||
|
规格 |
2P |
2P |
3P |
3P |
2P(COSTOMIZED) |
|
电气参数 |
|||||
|
极数 |
Ⅱ |
Ⅱ |
Ⅱ |
Ⅱ |
Ⅱ |
|
Uoc max(VDC) |
600 |
800 |
1000 |
1500 |
12/24 |
|
Uc(VDC) |
600 |
800 |
1000 |
1500 |
12/24 |
|
In (8 /20 )μs (kA) |
20 |
20 |
20 |
20 |
20 |
|
Imax(8 /20)μs(kA) |
40 |
40 |
40 |
40 |
40 |
|
Up(kV) |
2.2 |
3.0 |
3.8 |
5.3 |
0.2/0.4 |
技术参数
|
Wiring capacity(mm2) |
Hard wire |
4~25 |
4~25 |
|
|
Flexible wire |
4~16 |
4~16 |
||
|
Stripping length( mm ) |
10 |
10 |
||
|
压线螺丝 |
M5 |
M5 |
||
|
Torque (Nm) |
Main circuit |
3.5 |
3.5 |
|
|
Remote signal contact |
0.25 |
0.25 |
||
|
防护等级 |
All profile |
IP 40 |
IP 40 |
|
|
Connection port |
IP 20 |
IP 20 |
||
|
安装环境 |
无明显冲击和振动 |
|||
|
海拔高度(m) |
≤2000 |
≤2000 |
||
|
工作温度 |
-30℃~+70℃ |
-30C~+70C |
||
|
相对湿度 |
30%~90% |
30%~90% |
||
|
安装 |
安装H35-7.5/DIN钢制安装导轨 |
|||
|
尺寸mm(宽×高×长) |
宽 |
36 |
54 |
|
|
高 |
90 |
90 |
||
|
长 |
67.6 |
67.6 |
||
|
重量 (kg) |
0.24 |
0.36 |
||
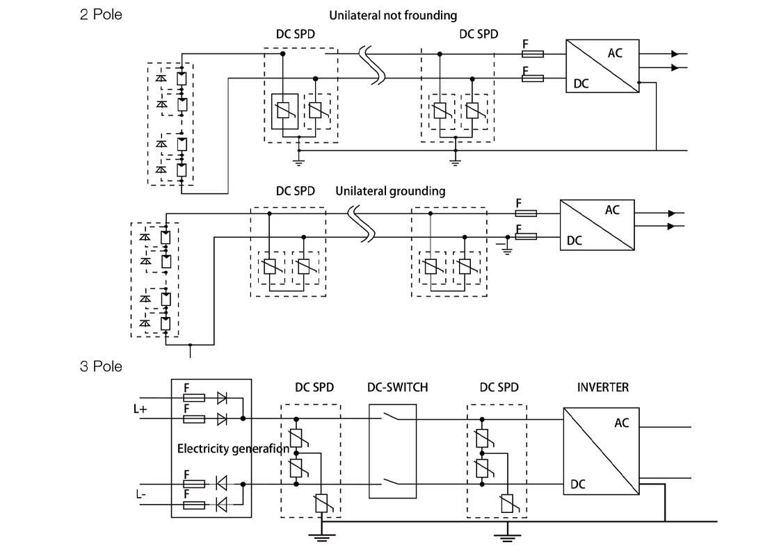
接线图

外形尺寸

电气图